Projekt
Hardware




Gigatron Micro

V1.50 (c) 2018-2019 Jörg Wolfram




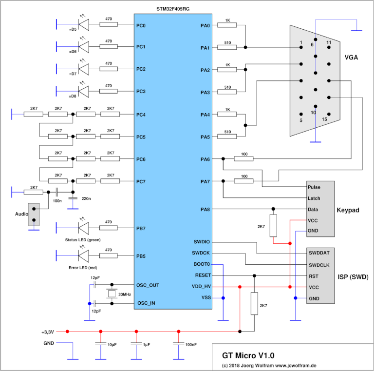
1 Stromlaufplan

Der Controller läuft mit 225MHz, die mitels PLL aus einem 20MHz Quarz generiert werden. Das sollte bei Leiterbahnführung und Abblock-Kondensatoren berücksichtigt werden.


2 Leiterplatte

Die Leiterplatte wurde mit gEDA PCB gezeichnet (gemalt) und ist einseitig mit ein paar Drahtbrücken realisiert. Die PCB-Datei und ein 600dpi PNG befinden sich im pcb-Verzeichnis des Projektarchives.
Größtes Bauteil ist die VGA-Buchse, für die anderen Anschlüsse habe ich aus Platzgründen Pfostenverbinder benutzt. Damit können auch die Anschlüsse für Keypad und Audio besser in einem Gehäuse verteilt werden.


created with latex2web.pl v0.64 © 2006-2018 Joerg Wolfram