Project
Hardware




Gigatron Micro

V1.50 (c) 2018-2019 Joerg Wolfram




1 Schematics

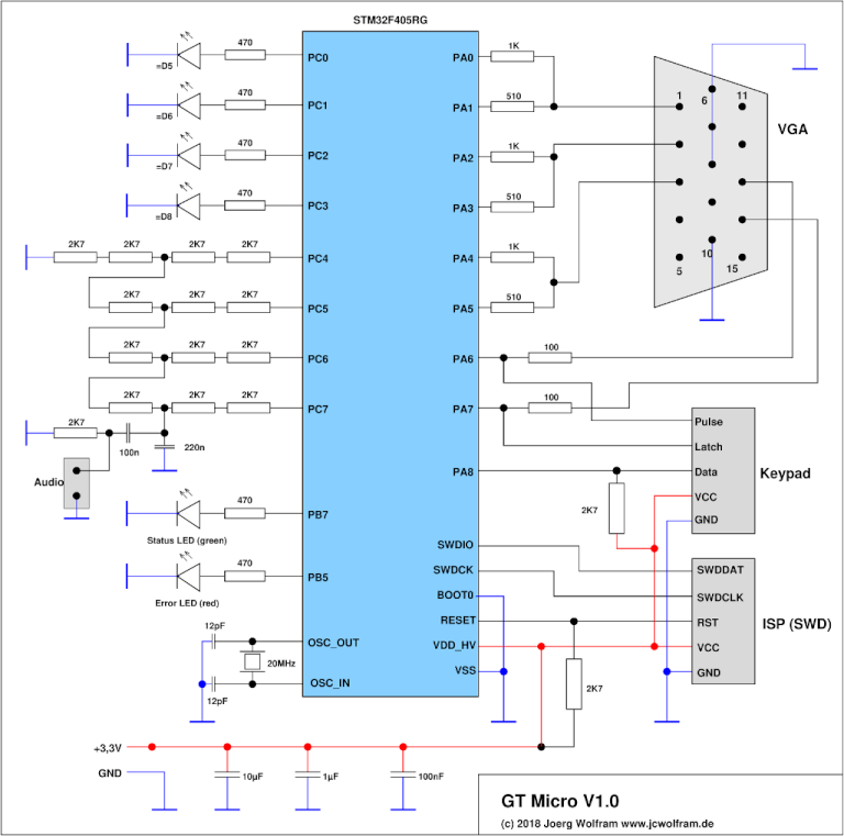
The controller runs at 225 MHz, based on a 20MHz crystal. If You plan Your own design, please consider this for routing and bypass capacitors.


2 PCB Layout

The PCB was designed (painted) with gEDA PCB. It is single sided with mixed components (DMD/THT) and a few wire jumpers. The PCB file and a 600dpi PNG is located in the pcb folder of the project archive.
To reduce the PCB size, all connections except the VGA female connector are done as 1/10" female PCB headers.

created with latex2web.pl v0.64 © 2006-2018 Joerg Wolfram